7営業日以内発送 ロームヘルド ハルダー 株 23050.0160 円錐シート 焼入れ鋼 適合ボルトM60 HALDER ロームヘルドハルダー 販売不可
7営業日以内発送 ロームヘルド ハルダー 株 23050.0160 円錐シート 焼入れ鋼 適合ボルトM60 HALDER ロームヘルドハルダー 販売不可
4.7点
(132件)
レビュー一覧 132件 (総件数:132件)
おすすめの商品
Yahoo!ショッピングの商品を見る
[PR]
【特長】
●球面ワッシャートとの組み合わせで、ボルトと座面が垂直でない場合等に使います。
●底面の角度を約3度まで補正します。
【用途】
●鋳物、ストラップ等傾斜面のボルト固定に。
【仕様】
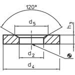
●適合ボルト:M60
●d2(mm):70
●d4(mm):112
●h3(mm):28
●耐荷重(静荷重)(max. kN):1122
●ネジの締付トルク(max. Nm):12219
【仕様2】
●形状D
【材質/仕上】
●焼入れ鋼(浸炭焼入れ)
●仕上げ:リン酸塩皮膜処理
【注意】
●長穴に対しては、必ず形状Gを使用してください。
【原産国】
ドイツ
カテゴリー:
DIY・工具##金物・部品##ワッシャー・座金
商品の状態:
新品、未使用
配送料の負担:
送料無料
配送の方法:
未定(出品者が手配)
発送元の地域:
京都府
発送までの日数:
2~5日
マイページでカーライフを便利に楽しく!!
イベント・キャンペーン
-
7500 円
-
14975 円
-
8500 円
-
6500 円










